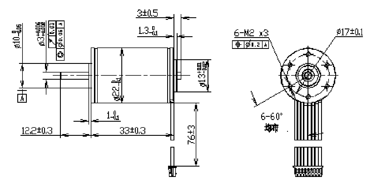
Φ22mm無刷空心杯電機(MC2232)
產品型號:MC2232
直徑(mm):22
長度(mm):32
額定電壓(V):24
額定轉速(rpm):10400
堵轉轉矩(mNm):627
堵轉電流(A) :47
轉矩常數(mNm/A):13.7
速度常數(rpm/V) :699
輸出軸直徑(mm):3
電機參數
| 電機數據(額定值) | |||||
| 額定電壓(V) | 24 | 28 | |||
| 空載轉速(rpm) | 11700 | 7200 | |||
| 空載電流(A) | 0.085 | 0.06 | |||
| 額定轉速 (rpm) | 10400 | 5500 | |||
| 額定轉矩(mNm) | 15 | 20 | |||
| 額定電流(A) | 0.96 | 0.65 | |||
| 堵轉轉矩(mNm) | 132 | 81.9 | |||
| 堵轉電流(A) | 7.2 | 2.35 | |||
| 最大效率(%) | 71.8 | 70.7 | |||
| 電機常數(額定值) | |||||
| 相間電阻(Ω) | 3.5 | 11.9 | |||
| 相間電感(mH) | 0.43 | 0.77 | |||
| 轉矩常數(mNm/A) | 13.7 | 35.7 | |||
| 速度常數(rpm/V) | 699 | 267 | |||
| 轉速/轉矩斜度( rpm/mNm) | 26.6 | 89.1 | |||
| 機械時間常數(ms) | 1.3 | 14.18 | |||
| 轉子慣量(gcm2) | 1.52 | 1.52 | |||
| 熱參數 | |||||
| 機殼-環境熱阻(K/W) | 13.6 | 16.3 | |||
| 繞組-機殼熱阻(K/W) | 350 | 456.5 | |||
| 繞組熱時間常數(s) | 5.7 | 8.6 | |||
| 電機熱時間常數(s) | 1340 | 1500 | |||
| 環境溫度(℃) | ?? -20…+100 | ?? -20…+100 | |||
| 最高繞組溫度(℃) | 125 | 125 | |||
| 機械參數(滾珠軸承) | |||
| 最大允許轉速(rpm) | 25 000 | ||
| 最大軸向間隙(mm) | < 3 N? 0 | ||
| ?12 N > 3 N??0.1(max) | |||
| 徑向間隙 | ?preloaded | ||
| 最大軸向動態載荷(N) | 3.2 | ||
| 最大允許安靜態裝力(N) | 29 | ||
| 最大徑向載荷,距離法蘭處2mm處(N) | 15 | ||
| 端子型號 | |||
| CJT A1257HRE-5P? UL1571 AWG26 | |||
| CJT C6201HFB-2*2P UL1571 AWG22 | |||
| CJT C6201HFB-2X5P UL10064 AWG30 | |||
設計圖紙

















查看詳情


Φ22mm無刷空心杯電機(MC2232)規格書
